Precision Manufacturing: Demystifying Datum Shift — DTAS Delivers Accurate Control
Datum Shift (M‑Zone) – Overview
Concept & Origin
Datum shift refers to the permissible clearance between a part’s datum feature (e.g., a shaft or hole) and its corresponding fixture, when the datum feature is labeled with M (Maximum Material Condition).
Origin: The fixture remains at a fixed size, while the datum feature’s size varies within its tolerance range, creating relative movement (shift) between the part and fixture.
Consequence of Datum Shift
Because the datum can move relative to the fixture, the tolerance zone may translate or rotate, effectively increasing the allowable variation for other features.
Typical Application
Datum shift is applied when a datum feature has a mating relationship with another part (e.g., pin‑hole fits), and the M‑zone notation is used on the drawing to permit this additional flexibility.
DTAS 3D Simulation Capability
•Accurately simulates random datum shift within the M‑zone.
•Computes resulting translation/rotation of tolerance zones.
•Calculates variation in related dimensions (e.g., wall thickness, gap).

DTAS 3D – Datum Shift Setup & Verification
1.Select tolerance standard (ISO/GB/ASME) in DTAS 3D.
2.Create a feature—here, a hole.
3.Define datum C and assign tolerance to the measured hole.
4.Set up virtual measurement to verify datum and tolerance definition accuracy.

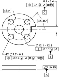
Datum‑Shift Example – Without Datum‑Shift Theory
Additional Concepts
•Local Datum: 3 primary datum planes + 2 local datum planes + 1 hole.
Objective
Calculate the maximum and minimum distance from hole to surface.
Theoretical Distance:12-3.9=8.1
Minimum Distance Calculation:
1.1 Datum surface C at rightmost (perpendicularity deviation 0.15).
1.2 Datum hole D at largest diameter, leftmost shift: (0.1 加 0.2)除以 2 等于 0.15
1.3 Measured hole at largest diameter, leftmost profile (expandable simulated datum of D):
Shift with D + Left-edge position deviation + 2Max hole deviation
Minimum Result:
8.1−(0.15+0.45)=7.5Maximum Distance Calculation:
2.1 Datum surface C unbiased (0 shift).
2.2 Datum hole D at largest diameter, rightmost shift:0.15 .
2.3 Measured hole profile rightmost (expandable simulated datum of D):
=
Maximum Result:8.1+(0+0.25)=8.35

Minimum Value Calculation
Theoretical Center‑to‑Edge Distance 12-3.9=8.1
1. Minimum Distance Scenario
1.1 Datum C at rightmost (perpendicularity deviation 0.15)
1.2 Datum hole D at max diameter, leftmost offset:0.1 加 0.2 的和除以 2 等于 0.15
1.3 Measured hole at max diameter, leftmost profile (with D’s simulated datum fixed and offset left):
0.15+0.15+0.2+0.1=0.6
Minimum Result
8.1−(0.15+0.6)=7.352. Maximum Distance Scenario
2.1 Datum C unbiased (0 shift)
2.2 Datum hole D at max diameter, rightmost offset: 0.15
2.3 Measured hole profile rightmost (D’s simulated datum fixed and offset right):0.15+0.15+0.1=0.4
Maximum Result:8.1+0.4=8.5
Summary Range:
Distance=7.35 to 8.5Using datum‑shift theory, the hole‑to‑surface distance varies between 7.35 and 8.5, reflecting systematic offset and tolerance accumulation.

Software Demo: Click https://www.bilibili.com/video/BV156MTzmEnh/
DTAS 3D Datum Shift – Summary
Multi‑Standard Support – Fully compatible with ASME, ISO, and GB tolerance systems, including datum‑shift simulation.
2.Verification Tools – Validate shift accuracy via 3D animation and virtual measurement.
3.Impact Analysis – Quantifies resulting dimensional variation (e.g., wall‑thickness fluctuation) caused by datum shift.

Get Detailed Info: Pricing, Specs & Support
Please contact our team for more information on product pricing, technical data, project support, and more
Request A Trial