Operation Guide
Datum‑Based Tolerance Analysis with DTAS 3D
DTAS 3D: AI‑Driven Tolerance Simulation for Smarter Manufacturing
DTAS 3D delivers intelligent tolerance simulation designed for Chinese manufacturing. Its intuitive setup and precise datum‑target definition act as a guiding benchmark—boosting assembly accuracy, streamlining processes, and improving cross‑team collaboration.
Results:
•Precise Assembly – Critical components like automotive engine parts are positioned with high accuracy.
•High‑Quality Output – Complex parts such as aero‑engine blades and robot joints see reduced error accumulation and optimized tolerance allocation.
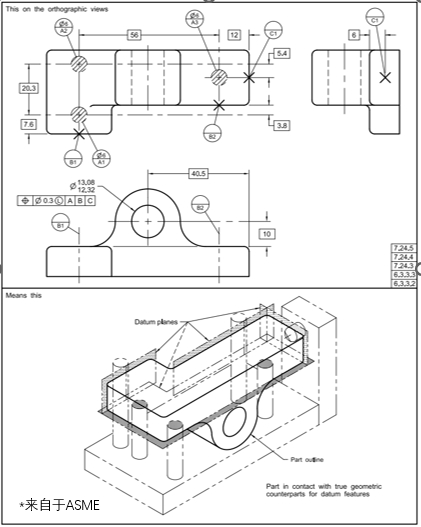
What Are Datum Targets?
Core Concepts in GD&T:
•Datum – A theoretically ideal geometric element (e.g., axis, plane) that serves as the reference for defining the position or orientation of other features.
•Datum Feature – A physical feature on the part (e.g., surface, hole) with sufficient accuracy, used to establish the datum during manufacturing or inspection.
•Datum Target – A specific point, line, or area on the datum feature, selected as the practical reference to account for manufacturing variations.
Relationship:
The datum is the ideal geometry derived from the datum feature; the datum target is the actual contact region on that feature used to simulate the datum in real‑world assembly or measurement.
When to Use Datum Targets
1.Irregular
or Non‑Planar Surfaces
Parts such as castings, forgings, plastic components, welded assemblies, or
large structural workpieces often lack a regular, complete surface suitable as
a full datum feature.
2.Unstable
or Flexible Datum Features
If the datum surface may warp, bend, or distort—causing unreliable contact with
the inspection fixture—datum targets provide stable, localized reference
points.
3.Functional
Local Contact Only
When the part’s function or assembly relies on contact at specific local areas,
datum targets align with those functional zones instead of referencing the
entire surface.
What are the advantages of benchmark targets?

Datum Targets: Precision & Interchangeability
✔ Precise
Positioning
GD&T datum targets ensure accurate alignment in complex assemblies.
Example: Automotive engine cylinder heads
are positioned using datum targets on the block, maintaining critical passage
alignment and preventing performance loss.
✔ Batch
Interchangeability
Datum targets enable consistent fit across production batches.
Example: Watch movement components
manufactured to shared datum targets can be interchanged seamlessly, ensuring
assembly accuracy and long‑term reliability.
Optimizing Manufacturing with Datum Targets
✔ Minimizing
Error Accumulation
GD&T datum targets provide a unified reference across
multiple machining stages, preventing dimensional errors from stacking up.
Example: Aero‑engine blades use the root
surface as the datum for all subsequent operations—ensuring profile and tenon
accuracy without cumulative deviation.
✔ Smarter
Tolerance Allocation
Datum targets enable function‑driven tolerance design:
tight control on critical features, relaxed limits on non‑critical areas.
Example: In robot joints, bearing‑mount
holes are tightly tolerancedvia datums for precision, while cover‑mount holes have wider limits—balancing
performance and cost.

Setting Up Datum Targets in DTAS 3D
1.Define
Datum Targets
Create A1, A2, A3, B1, B2, C1 as
datum‑target points/areas, then assign the hole’s position tolerance relative
to datum system ABC.
2.Build
Part‑to‑Fixture Assembly
Model how the part aligns to the fixture using the specified datum targets.
3.Validate
Under Variation
Simulate tolerance fluctuations on datum features and verify that the hole’s
tolerance‑zone position relative to fixture ABC matches
the theoretical design distance.
This ensures your datum‑target scheme is accurately represented and robust under real‑world variation.
Core Features
1.Multi‑Standard
Datum Simulation
Supports ASME, ISO & GB standards with flexible datum schemes (3‑plane,
1‑plane‑2‑hole, datum targets 3‑2‑1, etc.).
2.Robustness
Validation
Visualize datum behavior and quantify geometric‑lever impact through animation
and virtual measurement.
Get Detailed Info: Pricing, Specs & Support
Please contact our team for more information on product pricing, technical data, project support, and more
Request A Trial